OPERASI DAN APLIKASI TRIAC
Andi Hasad
Program Studi Teknik Elektronika
Fakultas Teknik, Universitas Islam 45 (UNISMA)
Jl. Cut Meutia No. 83 Bekasi 17113
Telp. +6221-88344436, Fax. +6221-8801192
Website: andihasad.com, Email: andihasad@yahoo.com
Triac atau dikenal dengan nama Bidirectional Triode Thyristor, dapat mengalirkan arus listrik ke kedua arah ketika ditrigger (dihidupkan). Triac dapat ditrigger dengan memberikan tegangan positif ataupun negatif pada elektroda gerbang. Sekali ditrigger, komponen ini akan terus menghantar hingga arus yang mengalir lebih rendah dari arus genggamnya, misalnya pada akhir paruh siklus dari arus bolak-balik. Operasi triac sangat mirip dengan SCR. Perbedaannya adalah apabila SCR dihubungkan ke dalam rangkaian ac, tegangan output disearahkan menjadi arus searah sedangkan triac dirancang untuk menghantarkan pada kedua tengahan dari bentuk gelombang output. Oleh karena itu, output dari triac adalah arus bolak-balik, bukan arus searah. Triac dibuat untuk menyediakan cara agar kontrol daya ac ditingkatkan.
Operasi Triac
Kontruksi triac diperlihatkan pada Gambar 2. Triac beroperasi sebagai dua SCR dalam satu bungkus dan dipasang paralel berkebalikan. Rangkaian ekivalen triac diperlihatkan sebagai dua SCR yang dihubungkan paralel terbalik seperti diperlihatkan pada Gambar 3. Dengan demikian, triac mampu menghantarkan dengan salah satu polaritas tegangan terminal. Triac dapat juga ditrigger dengan salah satu polaritas sinyal gerbang.
Gambar 3 Struktur, simbol dan rangkaian ekivalen triac
Triac mempunyai tiga terminal; dua terminal utama (MT2) dan terminal utama 1 (MT1) dan gerbang (G). Terminal MT2 dan MT1 dirancang demikian sebab aliran arus adalah dua arah. Karena aliran berinteraksi dengan gerbang, MT1 digunakan sebagai pengukuran terminal referen. Arus dapat mengalir antara MT2 dan MT1 dan juga antara gerbang dan MT1. Triac dapat ditrigger agar konduksi pada salah satu arah dengan arus gerbang bergerak masuk atau keluar dari gerbang. Apabila aliran arah arus terminal utama ditentukan, triac pada dasarnya mempunyai karakteristik pengoperasian internal yang sama dengan SCR. Triac mempunyai empat kemungkinan mode pentriggeran. Sehubungan dengan MT1 yaitu:
- MT2 adalah positif dan gerbang positif
- MT2 adalah positif dan gerbang negatif
- MT2 adalah negatif dan gerbang positif
- MT2 adalah negatif dan gerbang negatif
Gambar 4 Mode pentriggeran triac
Dua mode pentriggeran tersebut digambarkan pada Gambar 4. Karena triac dapat menghantarkan pada kedua tengahan siklus, maka sangat bermanfaat untuk mengontrol beban yang beroperasi pada arus searah. Efisiensi penuh dapat dicapai dengan menggunakan kedua tengahan gelombang dari tegangan input ac.
Aplikasi Triac
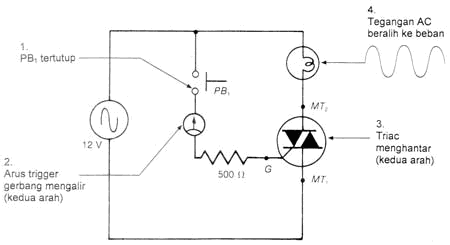
Skema rangkaian penghubungan triac yang dioperasikan dari sumber ac diperlihatkan pada Gambar 5.
Gambar 5 Rangkaian penghubungan triac ac
Jika tombol tekan PB1 dipertahankan tertutup, arus trigger terus-menerus diberikan pada gerbang. Triac menghantarkan pada kedua arah untuk menghubungkan semua tegangan ac yang diberikan pada beban. Jika tombol tekan dibuka, triac kembali OFF atau mati, apabila tegangan sumber ac dan penahanan arus turun menjadi nol atau polaritas terbalik. Perhatikan bahwa tidak seperti output dari rangkaian SCR yang sama, output rangkaian ini adalah arus bolak-balik, bukan arus searah.
Gambar 6 Aplikasi triac pada rangkaian penghubungan arus pada motor
Satu aplikasi umum dari triac adalah penghubungan arus ac pada motor ac. Rangkaian penghubungan motor triac pada Gambar 6 menggambarkan kemampuan triac untuk mengontrol jumlah arus beban yang besar dengan jumlah arus gerbang yang kecil. Aplikasi ini akan bekerja seperti relay solid-state. Transformator penurun tegangan 24 V digunakan untuk mengurangi tegangan pada rangkaian thermostat. Tahanan membatasi jumlah aliran arus pada rangkaian gerbang-MTl ketika thermostat terhubung kontaknya untuk menswitch triac dan motor ON. Ukuran kerja arus maksimum dari kontak thermostat jauh lebih rendah dibandingkan dengan arus kerja triac dan motor. Jika thermostat yang sama dihubungkan seri dengan motor untuk mengoperasikan motor secara langsung, kontak akan dihancurkan dengan aliran arus yang lebih besar.
Gambar 7 Aplikasi triac untuk merubah arus
Triac dapat digunakan untuk merubah arus ac rata-rata menjadi beban ac seperti terlihat pada Gambar 8. Rangkaian trigger mengontrol titik dari bentuk gelombang ac di mana triac yang dihubungkan ON. Bentuk gelombang yang terjadi adalah masih arus bolak-balik, tapi arus rata-rata diubah. Pada rangkaian penerangan, perubahan arus menjadi lampu pijar akan merubah jumlah cahaya yang dipancarkan oleh lampu. Jadi, triac dapat digunakan sebagai pengontrol keredupan cahaya. Pada rangkaian motor yang sama, perubahan arus itu akan merubah kecepatan motor. Diac adalah alat seperti transistor dua terminal yang digunakan untuk mengontrol trigger SCR dan triac.
Tidak seperti transistor, dua sambungan diac diberi bahan campuran yang sama kuat dan sama. Simbol diac memperlihatkan bahwa diac bertindak seperti dua dioda yang menunjuk pada arah yang berbeda. Arus mengalir melalui diac (pada salah satu arah) ketika tegangan antaranya mencapai tegangan breakover yang diratakan. Pulsa arus yang dihasilkan ketika diac berubah dari status non-induksi ke status konduksi digunakan untuk pentriggeran gerbang SCR dan triac.
Gambar 8 Aplikasi diac/triac sebagai peredup lampu
Rangkaian eksperimental peredup lampu triac/diac diperlihatkan pada Gambar 8. Ketika tahanan variabel R, ada pada harga terendahnya (terang), kapasitor C1 mengisi dengan cepat pada permulaan dari masing-masing setengah siklus dari tegangan ac. Jika tegangan antara C1, mencapai tegangan triac over dari diac, C1 dikosongkan pada gerbang triac. Jadi, triac ON (lebih awal) pada tiap setengah siklus dan bertahan hidup (ON) sampai akhir triac setengah siklus. Oleh karena itu. arus akan mengalir lewat lampu untuk sebagian besar dari diac setengah siklus dan menghasilkan kecerahan (terang) yang penuh. Pada saat tahanan R1 naik, waktu yang diperlukan untuk mengisi C1, sampai tegangan breakover dari diac bertambah. Hal ini menyebabkan triac menyala kemudian pada setiap setengah siklus. Sehingga panjang waktu arus mengalir pada lampu menjadi berkurang dan cahaya yang dipancarkan juga berkurang.
Selengkapnya … Download [pdf]
Referensi
Hasad A. 2011. Materi Kuliah Elektronika Industri, Teknik Elektro, UNISMA Bekasi
Petruzella F.D., 2001. Elektronik Industri, Andi Yogyakarta


thanks ya gan, numpang ngutip buat laporan praktikum dasar elektronika 🙂
Ok, silahkan
[…] Hasad Andi, 2011. Materi Kuliah Elektronika Industri, Teknik Elektro, UNISMA Bekasi […]
terimakasih, ijin mengutip. semoga sukses selalu 🙂
Silahkan mas Wahyu. Amiin.
sipppppppppp 😀 salam pertamax7
Salam kenal mas, terima kasih sudah berkunjung.
nice share pak. bisa minta CP nya gak pak?
kebetulan sya ada tgs membuat speed control motor universal m’gunakan triac.
Terima kasih. CP ada di “about me” mas Arib
ijin mengutip pak. . .terima kasih
Silahkan mas